Square Cut Shears for Cutting Steel
Square Cut Shears have special passing blades that cut the rod and bar.
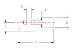
| MODEL | CAPACITY DIA. mm |
SHEAR STRENGTH kg/mm2 @ |
BLADE # | WEIGHT Kg. |
DIM A mm |
DIM B mm |
DIM C mm |
DIM D mm |
DIM E mm |
| V15SC-D1685 | 20.57 | 42 | A-3013 | 20.0 | 282 | 100 | 78 | 22 | 28 |
| V35SC-D1580 | 31.75 | 38 | A-1750 | 33.0 | 394 | 144 | 127 | 35 | 41 |
| V70SC-D1652 | 41.27 | 42 | A-2731 | 107.0 | 530 | 197 | 149 | 49 | 51 |
| V90SC | Special | Contact us | |||||||
| V135SC | Special | Contact us |


