High Pressure Shears
In certain applications the ability to easily carry and position the hydraulic shear requires a lighter weight tool than is normally available. To accommodate this need Vale offers their high-pressure, 690 BAR Shearing Systems.

This shear range offers true portability. The shears provide unmatched flexibility and real mobility to replace awkward bolt cutters.
The four models offered cut both ferrous and non-ferrous materials ranging from 12.7mm to 35mm diameter. The shears are provided with an integral switch handle that provides easy one handed operation of the tool.
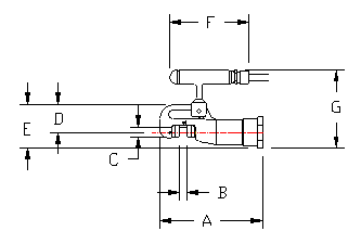
| MODEL | CAPACITY DIA. |
SHEAR STRENGTH | WEIGHT | DIM A | DIM B | DIM C | DIM D | DIM E | DIM F | DIM G |
| VHS5-C2105 | 12.7mm | 4137 Bar | 2.5 Kg. | 185mm | 12.7mm | 22mm | 50mm | 75mm | 160mm | 145mm |
| VHS15-C2363 | 20mm | 4137 Bar | .7 Kg. | .265mm | 22mm | 28mm | 75mm | 110mm | 160mm | 155mm |
| VHS50-C2402 | 20mm | 1379 Bar | 2.9 Kg. | 220mm | 30mm | 24mm | 50mm | 77mm | 160mm | 147mm |
| VHS150-C2224 | 35mm | 1379 Bar | 8.7 Kg. | 330mm | 41mm | 38mm | 73mm | 110mm | 160mm | 155mm |


